|
2026年3月直埋敷设满足这些规定就够了时间:2026-03-13 14:13
您于电缆敷设工程里,是不是正遭遇着技术标准繁杂、选取艰难的痛楚之处呢?是不是会担忧由于施工细节把控不合适而埋下安全方面的隐患,进而致使未来出现高昂的运维成本呢?本文会为您深入剖析电缆直埋敷设的核心技术规范,助力您一次性做出正确的选择,保证工程质量以及长期效益。 直埋敷设的适用场景与绝对禁区即便直埋敷设并非那种放之四海而皆准的万能方案,然而要是选对了合适的地方,那可是能够省下数目颇为可观的大笔投资的。比如说,当您所处的厂区是通往偏远辅助设施的地段,又或者是城郊等不容易进行开挖的地段,并且在同一路径之下35kV及以下的电缆数量少于6根的时候,这种方式绝对就是性价比方面最为高的一个选择了。还有就是,如果是在城镇人行道之下或者道路边缘等那些易于进行翻修的区域而言,采用直埋的方式同样也是能够大幅度地降低您的初期建设成本的。 然而,存在一些地方,对于直埋电缆来讲,那可堪称是“死亡陷阱”,必须得坚决躲开。厂区内部,地下管网交织错杂,存有能熔化金属或者有高温液体外溢的场地,还有未来规划中会频繁进行开挖的区域,这些地方都不适合采用直埋方式。特别是在会遭化学腐蚀或者有杂散电流腐蚀的土壤范围之内,绝对禁止直埋,不然的话,电缆的寿命将会急速缩减,会给您带去无法估摸的损失。 路径选择的黄金法则与避坑指南选定直埋之路径,仿若给电缆谋划一条具备安全特性、拥有长久寿命之人生道路,势必要有高瞻远瞩之眼光。首要遵循的原则乃是避开存在白蚁危害的地段、热力管道这类热源能够产生影响的区域,以及车辆频繁往来、施工活动密集这类容易遭受外力损害的地方。这些外界存在的威胁乃是电缆运行过程中的头号杀手,缺乏防护举措的电缆,其出现故障的风险将会成倍地增长。 务必依照设计图纸长霆光电,实地勘查路径里的每一个细节,您得顾及与现有地下构筑物的安全距离,电缆外皮到地下构筑物基础不可以小于 0.3 米。预先规划,避开风险,这不只是对电缆的保护,更是对整个项目工期以及未来运维成本的负责任的态度。
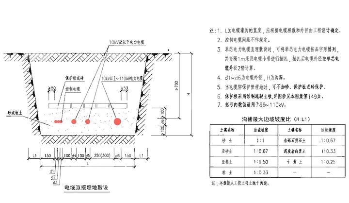
施工工艺的核心要点与材料标准把沟挖好,将砂铺上,再去回填,表面看着挺简单的,可实际上每一步都有着严格的技术“铁律”。电缆得敷设在壕沟里头,而且在它全长的上边、下边紧挨着的侧面都要铺上厚度不少于 100mm 的软土或者砂层,这可是保护电缆的第一道缓冲。随后,沿着电缆的整个长度覆盖宽度比电缆两侧各宽出 50mm 的保护板,混凝土做的保护板是业界优先选择的,它能够有效地抵挡后续施工造成的误伤。 城镇区域也好,空旷地带也罢,警示措施绝对不能少。在那保护板上层铺设有着醒目特征的标志带,这对后续施工人员有着极大的提示作用。而且,沿着这个路径,直线方面每隔100m,转弯的地方以及接头的部位,都务必要竖立比较明显的方位标志或者标桩。这些看起来好像不怎么起眼的细节,却是防止电缆被无意间破坏的关键之处,能给您省去好多排查以及维修方面的麻烦。 特殊地段的强化保护与穿越规范当电缆穿过铁路、道路或者引入建筑物时,常规敷设的方式已没办法保证安全,必须要升级保护措施。穿保护管这是标准做法,并且保护范围有着严格规定:和铁路交叉时保护管要超出路基面宽各1米;和道路交叉时应超出道路边各1米,埋设深度都不应该低于1米。这些硬性指标保障了即便路面承受重压,电缆也能够安然无恙。 当电缆进入构筑物之际,于贯穿墙孔那地方设置保护管,并且开展阻水堵塞工作,如此便能切实有效地防止水分渗透进来。在斜坡地形所处的位置,电缆接头非要呈现出水平状态进行安置才可,目的在于防止应力集中现象出现。针对重要回路的情形,在接头周边预留备用电缆,这绝对是一种有着深远谋划和周全考虑的明智之举,能够给未来将要进行的故障处理提供极大的便利条件。 施工前的准备与质量把控要点先行检查,在工程尚未启动之时。敷设之前,针对电缆沟深度、宽度以及弯曲半径等方面,要展开全面复核,以此来保证符合设计所提出的要求。电缆外观不存在损伤长霆光电科技(上海)有限公司,这属于基本要求,当对密封状态存有怀疑之际,有必要进行受潮判断。尤其是埋地电缆,其外护套绝缘电阻试验务必合格,这可是确保电缆长期运行不会漏电的“体检报告”。 精确算出电缆长度长霆光电科技,予以有理安排每盘电缆之举,如此方可最大程度减少中间接头,接头位置要严格规避设于倾斜之地、转弯之处、路口或者管线交叉之处。在带电区域里面作业,安全措施务必毫无差错。与此同时,检查放线架、牵引机等这些机具,以此保证其调试试用完好并且拥有可防止损伤电缆的装置,这样方可正式展开工作。
验收标准与长期运行的可靠性保障直埋电缆施工的最后一道防线是隐蔽工程验收,它也是您未来能安心使用的底气所在。在进行回填之前,一定要保证电缆上下铺砂,并且盖板齐全,同时与管道、道路等构筑物的间距要符合规范要求。敷设电缆时,高电压等级的电缆应当敷设在低电压等级电缆的下方,这个顺序是绝对不可以颠倒的。另外,回填土必须没有腐蚀性,而且要分层夯实,以此来防止未来地面出现下沉现象。 当所有施工均严格依照国标GB 50217 - 2018等相关规范予以执行之后,您所收获的将会是一个具备长寿命、低故障率特点的精品工程。选择一家专业且可靠的合作伙伴是极为关键的,比如说长霆光电科技(上海)有限公司,它能够为您给予从方案设计到施工指导的全方位技术支持,以此确保您的电缆敷设工程不出现任何差错。 您于原来的电缆敷设工程里面,有没有碰到过因没重视某条规范进而致使的麻烦问题呢?期望在评论区域畅谈您的经历,喜爱还加以转发这篇文章,使得更多同行防止踩到坑洼!
|



